
TBD系列矿用隔爆型低频永磁三相同步电动机、TBVF系列矿用隔爆型永磁同步变频电动机,额定容量55~630kW。与传统的电励磁电机相比,永磁电机转子为永磁结构(以下简称永磁电机),省掉了集电环和电刷装置,结构简单,运行可靠,体积小,损耗小,效率高等优点。永磁电机采用变频器控制同步启动,可以减少对电网的冲击,且多机运行时可实现功率平衡。
华鑫公司是国内研发、获得专利并生产矿用隔爆型永磁电机的制造企业,相关leyu·乐鱼(中国)体育官方网站已远销山西、山东、甘肃、黑龙江、内蒙等全国各地区煤炭企业。
leyu·乐鱼(中国)体育官方网站特点
1、提高传动效率,降低电能浪费
传统的驱动系统的传动效率为70%以下,所用的Y系列异步电机的能耗仅为国际IE1级(相当于国家三级能耗)。而该系统的传动效率在93%左右,采用的永磁同步电机能耗达到国际IE4(高于国家一级能耗标准),综合节能率比传统驱动系统提高了20%以上。若同样一台DSJ80带式输送机使用无齿轮永磁同步变频驱动系统,就能大幅度提高系统效率,每年可节电近十万元。
2、系统实现软起动、免维护
该系统运用变频器控制启动,能实现系统传动的缓慢匀速起动,避免了电机起动的瞬间大电流给电网带来的冲击,以及转矩瞬时剧增给传动系统带来的机械冲击,由此降低了系统的电网故障和机械故障,同时由于比原系统减少了液力耦合器及减速器,在维修费用上每年至少可节约3至5万元,从而降低了维护成本。
3、实现功率平衡
当该系统采用多电机主从控制驱动时,可实现功率平衡,能避免多电机因出力不平衡而造成的电机的损坏。
4、起动转矩大
该系统的永磁同步电动机能恒定输出额定负载转矩2.8倍的起动转矩,而传统驱动系统使用的异步电动机在同功率条件下的起动转矩是额定负载的55%,不能满足系统的正常起动,为了系统正常起动,需增大电机容量来满足起动转矩,但系统正常运行后,就造成了大马拉小车现象。
5、噪音低、功率密度高
永磁电机相比目前传统的交流异步电机,其优势如下:
1、效率高。这可以从四个方面说明:
(1)由于永磁同步电机的磁场是由永磁体产生的,从而避免通过励磁电流来产生磁场而导致的励磁损耗(铜耗);
(2)永磁同步电机的外特性效率曲线相比异步电机,其在轻载时效率值要高很多,这是永磁同步电机在节能方面,相比异步电机最大的一个优势。因为通常电机在驱动负载时,很少情况是在满功率运行,这是因为:一方面用户在电机选型时,一般是依据负载的极限工况来确定电机功率,而极限工况出现的机会是很少的,同时,为防止在异常工况时电机烧损电机,用户也会进一步给电机的功率留裕量;另一方面,设计者在设计电机时,为保证电机的可靠性,通常会在用户要求的功率基础上,进一步留一定的功率裕量,这样导致在实际运行的电机90%以上是工作在额定功率的70%以下,特别是在驱动风机或泵类负载,这样就导致电机通常工作在轻载区。对感应电机来讲,其在轻载时效率是很低,而永磁同步电机在轻载区,仍能保持较高的效率,其效率要高于异步电机20%以上。
(3)基于下面第2条的原因,由于永磁同步电机功率因数高,这样相比异步电机其电机电流更小,相应地电机的定子铜耗更小,效率也更高。
(4)系统效率高:永磁电机参数,特别是功率因数,不受电机极数的影响,因此便于设计成多极电机(如可以100极以上),这样对于传统需要通过减速箱来驱动负载电机,可以做成直接用永磁同步电机驱动的直驱系统,从而省去了减速箱,提高了传动效率。
2、功率因数高:由于永磁同步电机在设计时,其功率因数可以调节,甚至的可以设计成功率因数等于1,且与电机极数无关。而异步电机随着极数的增加,由于异步电机本身的励磁特点,必然导致功率因数越来越低,如极数为8极电机,其功率因数通常为0.85左右,极数越多,相应功率因数更低。即使是功率因数最高的2极电机,其功率因数也难以达到0.95。电机的功率因数高有以下几个好处:
(1)功率因数高,电机电流小,电机定子铜耗降低,更节能;
(2)功率因数高,电机配套的电源,如逆变器,变压器等,容量可以更低,同时其他辅助配套设施如开关,电缆等规格可以更小,相应系统成本更低。
(3)由于永磁同步电机功率因数高低不受电机极数的限制,在电机配套系统允许的情况下,可以将电机的极数设计的更高,相应电机的体积可以做得更小,电机的直接材料成本更低。
3、电机结构简单灵活:
(1)由于异步电机转子上需要安装导条、端环或转子绕组,大大限制了异步电机结构的灵活性。
(2)由于永磁同步变频调速电机参数不受电机极数的限制,便于实现电机直接驱动负载,省去噪音大,故障率高的减速箱,增加了机械传动系统设计的灵活性。
(3)由于永磁同步变频调速电机设计设计电机极数的束缚,因此可以设计成多极电机,显现电机的极数接近或等于电机的槽数,即实现电机的节距(即线圈的跨距)接近1或等于1,可以实现集中绕组,这样可以大大缩短电机定子绕组‘无效部分’端部的长度,从而不仅大大缩短了电机长度,减小了电机的体积,特别在某些对电机轴向长度要求高场合,利用永磁同步电机多极集中绕组的特点,可以将电机设计成盘式结构,充分体现了了永磁同步电机的优势。另一方面,随着绕组端部大大减少,因电机绕组端部造成的铜耗也相应降低,进一步提高了电机的效率。
4、可靠性高:
从电机本体来对比,永磁同步变频调速电机与异步电机的可靠性相当,但由于永磁同步电机结构的灵活性,便于实现直接驱动负载,省去可靠性不高的减速箱大大提高了传动系统的可靠性。
5、体积小,功率密度大
TBD系列矿用隔爆型低频永磁三相同步电动机、TBVF系列矿用隔爆型永磁同步变频电动机作为动力输入机构,配套变频器形成永磁直驱系统,直接驱动带式输送机。
TBD系列、TBVF系列永磁电机还可用在矿山、石油、建材等行业作为动力输入机构。
leyu·乐鱼(中国)体育官方网站视频介绍
TBVF系列矿用隔爆型永磁同步变频电动机型号说明

TBD系列矿用隔爆型低频永磁三相同步电动机型号说明

规格型号 | 额定功率(kW) | 额定电压(V) | 额定电流(A) | 额定转矩(N.m) | 额定转速(r/min) | 额定频率(Hz) | 效率(%) | 功率因数 |
TBVF-55/24YC(660) | 55 | 660 | 53 | 6734 | 78 | 15.6 | 93 | 0.92 |
TBVF-55/24YC(1140) | 55 | 1140 | 37 | 6734 | 78 | 15.6 | 93 | 0.92 |
TBVF-75/24YC(660) | 75 | 660 | 105 | 9182 | 78 | 15.6 | 93 | 0.92 |
TBVF-75/24YC(1140) | 75 | 1140 | 54 | 9182 | 78 | 15.6 | 93 | 0.92 |
TBVF-110/32YC(660) | 110 | 660 | 135 | 13468 | 78 | 20.8 | 93 | 0.92 |
TBVF-110/32YC(1140) | 110 | 1140 | 74 | 13468 | 78 | 20.8 | 93 | 0.92 |
TBVF-132/32YC(660) | 132 | 660 | 155 | 16162 | 78 | 20.8 | 93 | 0.92 |
TBVF-132/32YC(1140) | 132 | 1140 | 86 | 16162 | 78 | 20.8 | 93 | 0.92 |
TBD-560S-32Y(660) | 160 | 660 | 186 | 19590 | 78 | 20.8 | 93 | 0.92 |
TBD-560S1-32Y(1140) | 160 | 1140 | 115 | 19590 | 78 | 20.8 | 93 | 0.92 |
TBVF-200/32YC(660) | 200 | 660 | 205 | 23151 | 82.5 | 22 | 93 | 0.92 |
TBVF-250/32YC(660) | 250 | 660 | 255 | 28939 | 82.5 | 22 | 93 | 0.92 |
TBD-560L1-32Y(1140) | 250 | 1140 | 184 | 28939 | 82.5 | 22 | 93 | 0.92 |
TBD-630S-32Y(1140) | 315 | 1140 | 186 | 37370 | 80.5 | 21.5 | 93 | 0.92 |
TBD-630M-32Y(1140) | 355 | 1140 | 205 | 42115 | 80.5 | 21.5 | 93 | 0.92 |
TBD-630L-32Y(1140) | 400 | 1140 | 224 | 47453 | 80.5 | 21.5 | 93 | 0.92 |
TBVF-400/40YC(1140) | 400 | 1140 | 270 | 44418 | 86 | 28.7 | 93 | 0.92 |
TBVF-450/40YC(1140) | 450 | 1140 | 287 | 49971 | 86 | 28.7 | 93 | 0.92 |
TBVF-500/40YC(1140) | 500 | 1140 | 305 | 55523 | 86 | 28.7 | 93 | 0.92 |
TBVF-560/40YC(1140) | 560 | 1140 | 378 | 62186 | 86 | 28.7 | 93 | 0.92 |
TBVF-630/40YC(1140) | 630 | 1140 | 387 | 69959 | 86 | 28.7 | 93 | 0.92 |
山西leyu·乐鱼(中国)体育官方网站有限公司永磁电机选型表 | |||||||||
规格型号 | 额定 功率(kW) | 额定转速 | 额定转矩 (N.m) | 不同工作转速下对应的电机输出功率(kW) | |||||
>50-55 r/min | >55-65 r/min | >65-75 r/min | >75-85 r/min | >85-95 r/min | >95-105 r/min | ||||
TBVF-55/24YC(660) | 55 | 78 | 6734 | 39 | 46 | 53 | 55 | 67 | 74 |
TBVF-55/24YC(1140) | 55 | 78 | 6734 | 39 | 46 | 53 | 55 | 67 | 74 |
TBVF-75/24YC(660) | 75 | 78 | 9182 | 53 | 63 | 72 | 75 | 91 | 101 |
TBVF-75/24YC(1140) | 75 | 78 | 9182 | 53 | 63 | 72 | 75 | 91 | 101 |
TBVF-110/32YC(660) | 110 | 78 | 13468 | 78 | 92 | 106 | 110 | 134 | 148 |
TBVF-110/32YC(1140) | 110 | 78 | 13468 | 78 | 92 | 106 | 110 | 134 | 148 |
TBVF-132/32YC(660) | 132 | 78 | 16162 | 93 | 110 | 127 | 132 | 161 | 178 |
TBVF-132/32YC(1140) | 132 | 78 | 16162 | 93 | 110 | 127 | 132 | 161 | 178 |
TBD-560S-32Y(660) | 160 | 78 | 19590 | 113 | 133 | 154 | 160 | 195 | 215 |
TBD-560S1-32Y(1140) | 160 | 78 | 19590 | 113 | 133 | 154 | 160 | 195 | 215 |
TBVF-200/32YC(660) | 200 | 82.5 | 23151 | 133 | 158 | 182 | 200 | 230 | 255 |
TBVF-250/32YC(660) | 250 | 82.5 | 28939 | 133 | 158 | 182 | 200 | 230 | 255 |
TBD-560L1-32Y(1140) | 250 | 82.5 | 28939 | 133 | 158 | 182 | 200 | 230 | 255 |
TBD-630S-32Y(1140) | 315 | 80.5 | 37370 | 215 | 254 | 293 | 315 | 372 | 411 |
TBD-630M-32Y(1140) | 355 | 80.5 | 42115 | 243 | 287 | 331 | 355 | 419 | 463 |
TBD-630L-32Y(1140) | 400 | 80.5 | 47453 | 273 | 323 | 373 | 400 | 472 | 522 |
TBVF-400/40YC(1140) | 400 | 86 | 44418 | 256 | 302 | 349 | 395 | 400 | 488 |
TBVF-450/40YC(1140) | 450 | 86 | 49971 | 288 | 340 | 392 | 445 | 450 | 549 |
TBVF-500/40YC(1140) | 500 | 86 | 55523 | 320 | 378 | 436 | 494 | 500 | 610 |
TBVF-560/40YC(1140) | 560 | 86 | 62186 | 358 | 423 | 488 | 553 | 560 | 684 |
TBVF-630/40YC(1140) | 630 | 86 | 69959 | 403 | 476 | 549 | 623 | 630 | 769 |

55kW、75kW电机安装图

110kW、132kW、160kW电机安装图

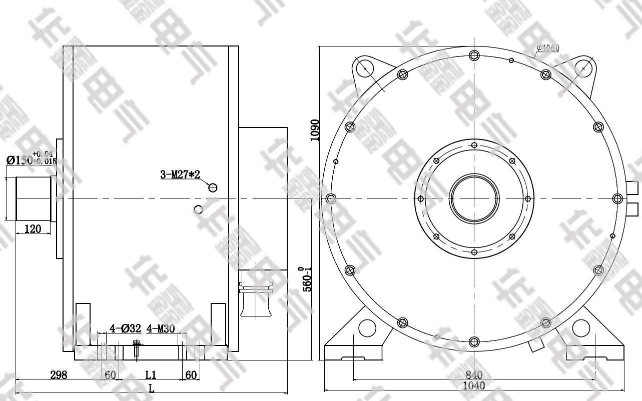
200kW、250kW电机安装图

315kW、355kW、400kW电机安装图

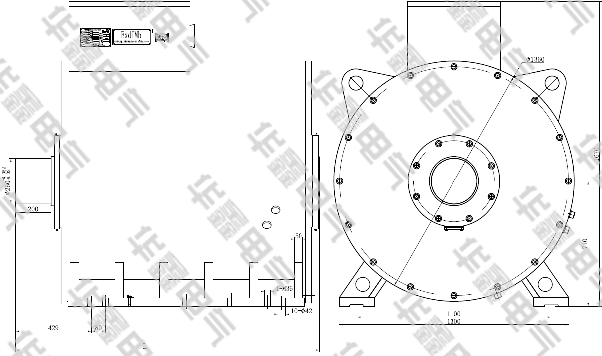
400kW、450kW、500kW、560kW、630kW电机安装图
1、海拔不超过1000m正常使用,超过1000米降容使用。
2、环境温度最高环境空气温度随季节而变化,但不超过40℃;最低环境空气温度为0℃。
3、冷却水:电机的入口处冷却水温应不高于+25℃,也应不低于+5℃。冷却水的压力应不低于0.3MPa,不高于1 MPa,流量不小于2.8t/h。
4、环境空气最大相对湿度不超过95%(当温度+25℃时)
5、在有甲烷混合气体和煤尘,且有爆炸危险的矿井中。
6、供电电压的谐波电压因数应不超过0.02。
©1996-2023晋ICP备07500050号 leyu·乐鱼(中国)体育官方网站 版权所有 河北天迈提供技术支持
©1996-2023 晋ICP备07500050号 leyu·乐鱼(中国)体育官方网站 版权所有
河北天迈提供技术支持