您好,欢迎来到leyu·乐鱼(中国)体育官方网站官方网站
互感器

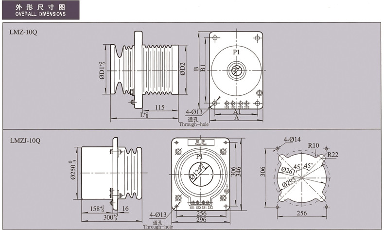
LMZ-10Q型电流互感器

  互感器分为电压互感器和电流互感器两大类,其主要作用有:将一次系统的电压、电流信息准确地传递到二次侧相关设备;将一次系统的高电压、大电流变换为二次侧的低电压(标准值)、小电流(标准值),使测量、计量仪表和继电器等装置标准化、小型化,并降低了对二次设备的绝缘要求;将二次侧设备以及二次系统与一次系统高压设备在电气方面很好地隔离,从而保证了二次设备和人身的安全。

  其工作原理与变压器相同,基本结构也是铁心和原、副绕组。特点是容量很小且比较恒定,正常运行时接近于空载状态。电压互感器本身的阻抗很小,一旦副边发生短路,电流将急剧增长而烧毁线圈。为此,电压互感器的原边接有熔断器,副边可靠接地,以免原、副边绝缘损毁时,副边出现对地高电位而造成人身和设备事故。测量用电压互感器一般都做成单相双线圈结构,其原边电压为被测电压(如电力系统的线电压),可以单相使用,也可以用两台接成V-V形作三相使用。实验室用的电压互感器往往是原边多抽头的,以适应测量不同电压的需要。供保护接地用电压互感器还带有一个第三线圈,称三线圈电压互感器。三相的第三线圈接成开口三角形,开口三角形的两引出端与接地保护继电器的电压线圈联接。正常运行时,电力系统的三相电压对称,第三线圈上的三相感应电动势之和为零。一旦发生单相接地时,中性点出现位移,开口三角的端子间就会出现零序电压使继电器动作,从而对电力系统起保护作用。线圈出现零序电压则相应的铁心中就会出现零序磁通。为此,这种三相电压互感器采用旁轭式铁心(10kV及以下时)或采用三台单相电压互感器。对于这种互感器,第三线圈的准确度要求不高,但要求有一定的过励磁特性(即当原边电压增加时,铁心中的磁通密度也增加相应倍数而不会损坏)。

  电磁感应式电压互感器的等值电路与变压器的等值电路相同。

  •   互感器(instrument transformer)是按比例变换电压或电流的设备。互感器的功能是将高电压或大电流按比例变换成标准低电压(100V)或标准小电流(5A或10A,均指额定值),以便实现测量仪表、保护设备及自动控制设备的标准化、小型化。

      互感器还可用来隔开高电压系统,以保证人身和设备的安全。按比例变换电压或电流的设备。电力系统用互感器是将电网高电压、大电流的信息传递到低电压、小电流二次侧的计量、测量仪表及继电保护、自动装置的一种特殊变压器,是一次系统和二次系统的联络元件,其一次绕组接入电网,二次绕组分别与测量仪表、保护装置等互相连接。互感器与测量仪表和计量装置配合,可以测量一次系统的电压、电流和电能;与继电保护和自动装置配合,可以构成对电网各种故障的电气保护和自动控制。互感器性能的好坏,直接影响到电力系统测量、计量的准确性和继电器保护装置动作的可靠性。

联系我们销售 联系我们服务 联系我们合作渠道

联系我们

提交问询
leyu·乐鱼(中国)体育官方网站名称:
内容:
电话:
电邮地址:
公司:
姓名:
国家:
   

联系本地销售人员

关闭
提交问询
leyu·乐鱼(中国)体育官方网站名称:
内容:
电话:
电邮地址:
公司:
姓名:
国家:
   

联系本地服务人员

关闭
提交问询
leyu·乐鱼(中国)体育官方网站名称:
内容:
电话:
电邮地址:
公司:
姓名:
国家:
   

联系本地销售人员

关闭

©1996-2023晋ICP备07500050号 leyu·乐鱼(中国)体育官方网站 版权所有 河北天迈提供技术支持

©1996-2023 晋ICP备07500050号 leyu·乐鱼(中国)体育官方网站 版权所有

河北天迈提供技术支持